Fluoroplastics Fluoroware 202-1 Pneumatic Valve (1/2" Orifice, 2-way)

Fluoroplastics Fluoroware 202-1 Pneumatic Valve (1/2" Orifice, 2-way)
Available quantity:6
Description
These pneumatic valves from Fluoroware feature a diaphragm design that minimizes dead volume and reduces particle generation compared to conventional models. All wetted parts are molded from PFA, ensuring high purity and excellent corrosion resistance. These valves support automation and remote actuation.
The pneumatic supply port uses a 1/8" female NPT connection. Non-wetted parts are made from PVDR, stainless steel, and Viton®. Shutoff performance exceeds ANSI Class VI standards.
Its compact size and versatile mounting, featuring built-in lugs, help reduce pipe stress. Variations of these valves can also be fusion bonded to other PureBond piping components, making it compatible with complete PFA systems.
Price is for one valve only.
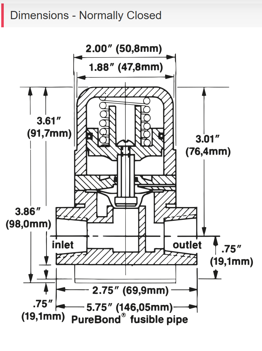
** SEE ATTACHED PHOTOS FOR SPECIFICATIONS
Specifications
| Manufacturer | Fluoroplastics (Entegris / Galtek) |
| Model | Fluoroware |
| Condition | New open box |
| Serial Number | None (x 5), 754210 and 766942 |
| MPN | 202-1 |
| Condition Description | IN VERY GOOD CONDITION - APPEAR TO BE UN-USED |
| Country/region of manufacture | United States |
| Custom Label | T3 |










